Beny-devices.eu
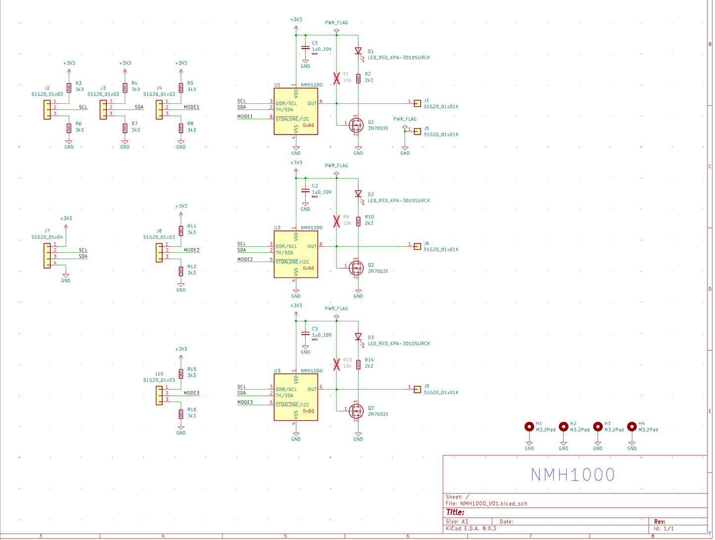
NMH1000 eval design
NMH1000 eval design
Regular price
ā¬4,90 EUR
Regular price
Sale price
ā¬4,90 EUR
Unit price
per
Tax included.
Couldn't load pickup availability
What you will get:
The Hardware Design Template Schematic package and PCB layout package for the most straightforward schematic design.
The Hardware Design Template Schematic package contains the following:
- A minimal and verified and fully functional schematic drawing.
- A minimal and verified and fully functional PCB layout.
- Clean and easy-to-order BOM of all components used in the schematic.
The Hardware Design Template Schematic package supports the following:
- Verified usage of three independent NMH1000 magnetic switches.
- I2C mode support.
- Standalone mode support.
- Threshold setting support.
- Sample rate setting support.
What you will not get:
- Any physical enclosure or any piece of material.
Eval design presentation:
Disclaimer
š¾ The Hardware Design Template is a downloadable digital product (delivery policy)
Dimensions
Dimensions
Not applicable





A jump start
Mechanical simplicity along with tested components keep you on track to the final product.
-
ECAD project
Simple and clean ECAD project. The size of the PCB is the maximum possible and the shape always follows the enclosure borders.
-
Bill of material
List of all recommended components that were verified to be perfectly fiting the enclosure openings.